معدات الخلط العمودية WSV-2000 بتصميم صحي للتطبيقات الصعبة
- Wonsen
- الصين
- 120 يومًا
- قوي
※ معدات من النوع العمودي
※ جهاز القيادة: مجموعة واحدة من مخفض سرعة المحرك، تُستخدم لتشغيل أجزاء الخلط
※معدات مزودة بمنافذ معالجة متعددة
※ يمكن التبديل بين الوضع اليدوي والآلي. كما يمكن تعديل وصفات العمليات الآلية.

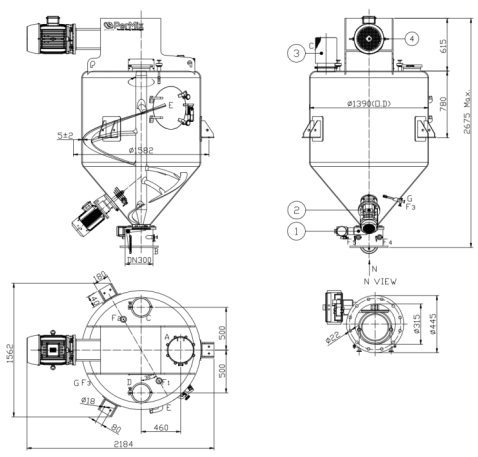
1 بناء
ل معدات من النوع العمودي.
ل جهاز القيادة: مجموعة واحدة من مخفضات سرعة المحرك، تستخدم لتشغيل أجزاء الخلط.
ل معدات مزودة بمنافذ معالجة متعددة:
منفذ عادم واحد، مزود بكيس فلتر لإزالة الغبار (موجود على غطاء الحجرة)
منفذ تغذية واحد لوحدة التغذية بالشفط
غطاء فتحة تفتيش سريع الفتح، مزود بشبكة أمان ومفتاح تقارب.
5 منافذ تنظيف CIP مع 5 مجموعات من مكونات CIP (مستوية مع الوعاء الداخلي).
باب واحد للمراقبة والتنظيف مزود بقفل أمان (العلامة التجارية: IDEC)، ونظام تعشيق كهروميكانيكي
1جهاز كمبيوترمنفذ التقطيع في الجزء المخروطي السفلي، مزود بمجموعة واحدة من المفرمة عالية السرعة.
منفذ تغذية سائل واحد، مواجه للمفرمة، قابل للتبديل مع مكونات التنظيف في المكان (CIP)، مزود بسدادة.
ل باب وصول كبير واحد للتنظيف الداخلي والصيانة اللاحقة. الباب مُثبّت بشكل مُحكم على الأسطوانة دون أي فراغات، مع حشية مانعة للتسرب من السيليكون مُثبّتة حول الحافة الخارجية. باب الوصول الكبير مُزوّد بقفل أمان واحد لمزيد من الحماية.
ل صمام تصريف سفلي: صمام هوائي DN250، مزود بمنفذي تنظيف CIP
ل المحرك: يتكون من عمود رئيسي ومجاديف وموجة جيبية على شكل أسنان؛
ل نوع الشفرة: عمود رئيسي واحد، هيكل ناتئ (بدون دعامة سفلية لتقليل خطر تلوث المنتج وتراكم المواد). الشفرات ملحومة بالكامل بالعمود الرئيسي، مع وصلات دائرية من الدرجة الصحية ومصقولة عند المفاصل.
ل مانع تسرب العمود الرئيسي: مانع تسرب غاز جاف مُدمج، مانع تسرب شفاه صحي من مادة PTFE + مانع تسرب هواء
ل تم تجهيز الجزء المخروطي السفلي من السفينة بمجموعة واحدة من المفارم.
ل يتم تطبيق الحماية الهوائية على مانع تسرب العمود الرئيسي، ومانع تسرب المفرمة، ونقاط رئيسية أخرى، وهي مزودة بصمامات تنظيم (العلامة التجارية: AIRTAC).
ل جميع الحشيات المانعة للتسرب مصنوعة من مطاط السيليكون
ل يتم تشغيل الصمامات الهوائية بواسطة الهواء المضغوط بضغط تشغيل يبلغ 6 بار
ل أنبوب هواء شفاف (للهواء المضغوط) مع صندوق تحكم هوائي (العلامة التجارية للمكونات الداخلية: AIRTAC)
ل طريقة التركيب: عروات (منصة التركيب غير مشمولة)
ل الجهاز مزود بحامل للأذن ويتم تركيبه من خلال حامل الأذن.
ل جميع المحركات مزودة بأغطية واقية من الفولاذ المقاوم للصدأ SS304 (غطاء المحرك الرئيسي وغطاء محرك التقطيع).
2 طلب

3 التحكم الكهربائي
ل PLC+ شاشة لمس + VFD، PLC: سيمنز 10 بوصة، شاشة لمس: سلسلة سيمنز S7-200، VFD: دلتا؛
ل يمكن التبديل بين الوضع اليدوي والآلي. كما يمكن تعديل وصفات العمليات الآلية.
ل حامي تسلسل الطور
4 المعايير الفنية
لا. | اسم | وصف |
1 | نموذج | WSV-2000 |
2 | بالكاملفيolume | 2000 لتر |
3 | بالكاملجمعامل | 0.3-0.9 |
4 | حجم العمل | 600-1800 لتر |
5 | درجات حرارة تشغيل الحجرة | درجة حرارة طبيعية |
6 | درجة حرارة تصميم الحجرة | درجة حرارة طبيعية |
7 | ضغط العمل في الغرفة | صراف آلي |
8 | ضغط تصميم الحجرة | صراف آلي |
9 | قوة محرك العمود الرئيسي | 18.5كW-4P-B5 |
10 | سرعة العمود الرئيسي | 49دورة في الدقيقة @~50 هرتز(يتم التحكم في السرعة عبر خزانة تحكم كهربائية) |
11 | محرك المروحية | 4 كW-4P-B5 |
12 | سرعة المروحية | 1500 دورة/دقيقة عند 50 هرتز(يتم التحكم في السرعة عبر خزانة تحكم كهربائية) |
13 | حجم الأبعاد المرجعية※ | وفقًا للرسم الفعلي |
14 | قوةsالإمداد | 3 فاز/380 فولت/50 هرتز |
15 | "※" هي قيمة مرجعية، والاستهلاك، والإنتاجية، والوزن الصافي للمعدات، والأبعاد، وغيرها من المعايير هي للإشارة فقط، أما المعايير الفعلية والمواد والتكوين والعمليات ذات الصلة فهي غير دقيقة. | |





